____________________________________________________
| about | ||||
| bio | ||||
| work | digital | installation | ||
| links | visual | interface |
||
| contact | textual | contents | ||
| home | gallery | |||
| blog | research | |||
| thanks |
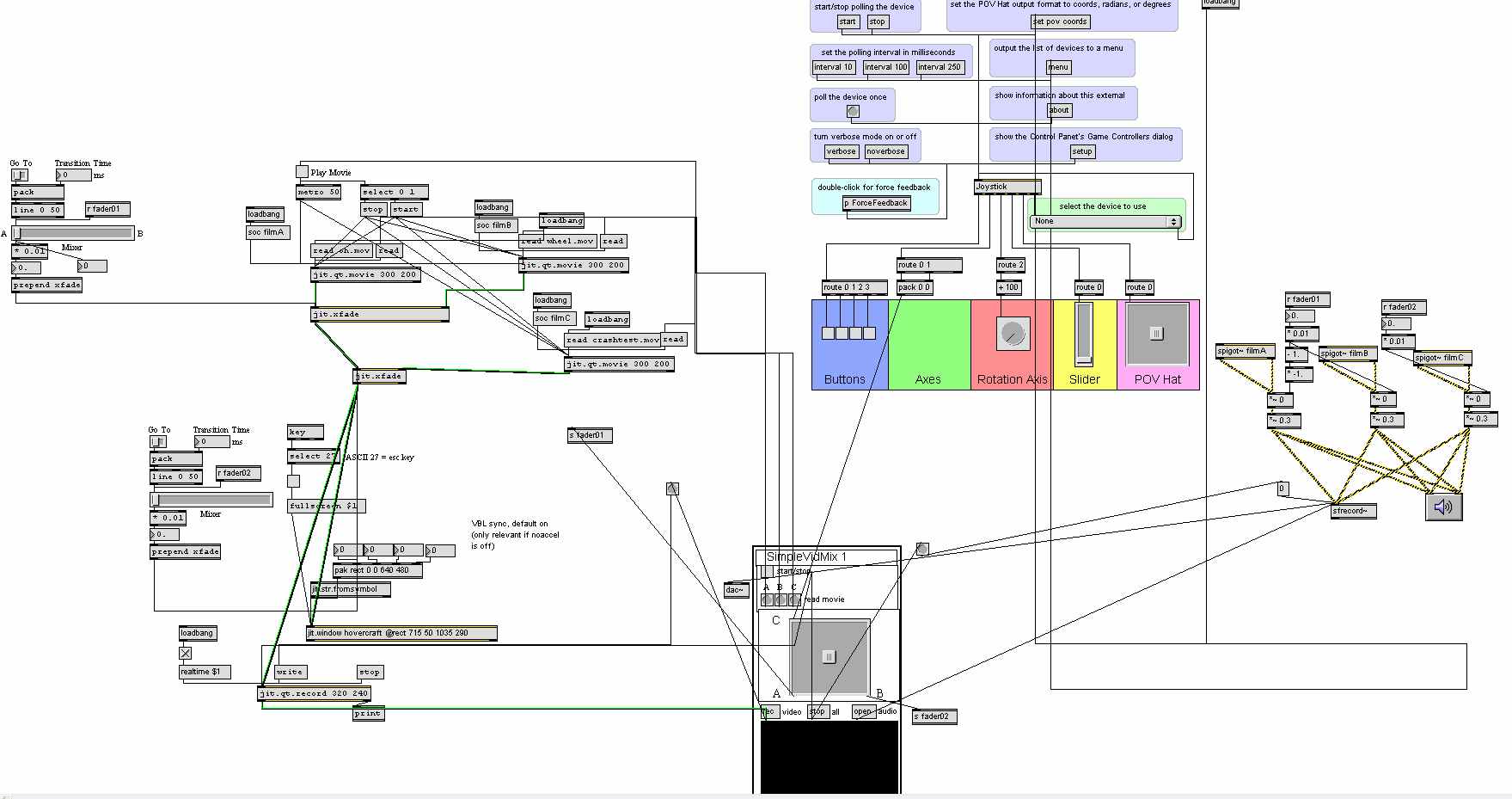
In the second draft, the mixing interface was redeveloped from just two horizontal sliders to a rectangular interface with three positive inputs, combinbing the initial two sliders and therefore making it more accessible in terms of a live mixing interface.
The third version was primalily concerned with even more redsigning the mixing interface. The box on the right corner now combines all the functions of the patch into one single interface. It is possible to choose the different inputs and to control the degree of overlapping between them . Also, the patch is mow able to record the actual mix that takes place in the output window and a record window was added below the controls to monitor the recording.
In the final stage of the minor project, a sound recording device was added to the patch. Since Max/MSP and Jitter cannot record audio and video signals into one file, a separate audio recording object had to be created in order to provide sound and images. The file will be saved as an .AIFF file and it has to be recombined with the recorded .MOV file in an editing program afterwards, like Final Cut, for example. To record, hit 'open audio' and specify a name an path for the soundfile you would like to save, then hit 'rec video' and do the same for the video file. After that, hit 'start/stop' to start playback as well as the recording of the sequence. When you would like to stop the operation, hit 'stop all' which stop the playback as well as the recording.
The next stage after the conclusion of the minor project was to add the joystick interface and to connect it to the previoulsy created slider interface.



